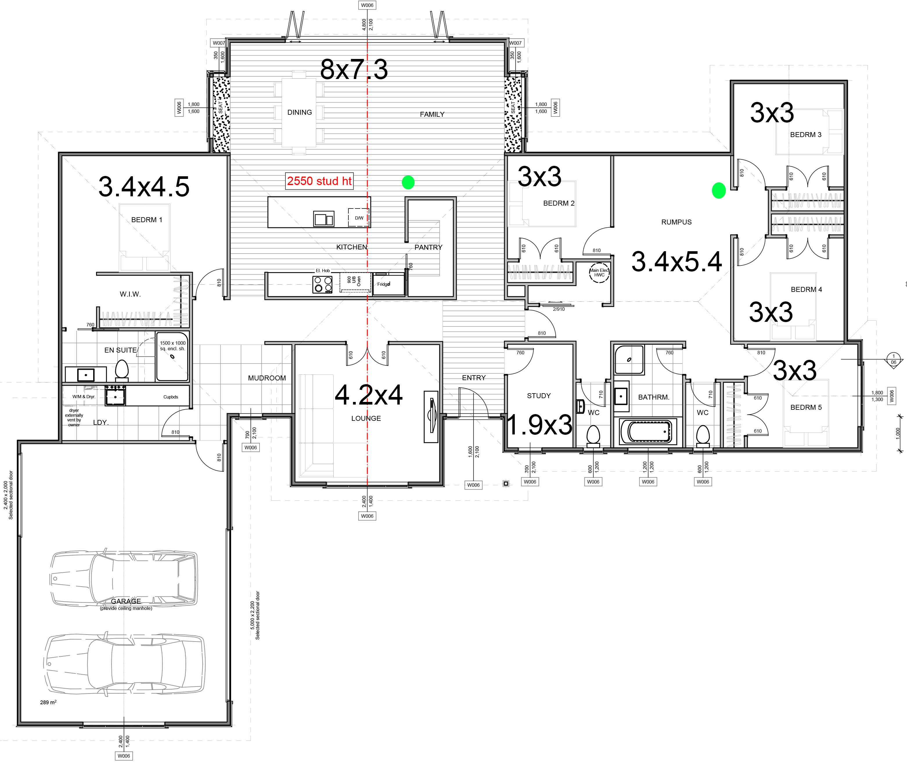
I'm going to be building next year, foundations hopefully in December, and I'm starting to figure a few networking details out. I'm allowing for 2 PoE Wifi APs in the house, one in the rumpus and one in the Family room, marked green on the plans. I guess the modem which will be somewhere in the garage will provide wifi enough for in there. I'm hoping the rest of the house will be covered with the 2 APs, one of the Ubiquiti units or similar. Anybody know if this sounds realisitic, and suggestions on what units would work best. Thanks!



